總覽
用語定義
第 1 條
|
||||
第 1 條 |
本編建築技術用語,其他各編得適用,其定義如下: |
|||
一 | ||||
二 |
建築基地面積:建築基地(以下簡稱基地)之水平投影面積。 |
|||
三 |
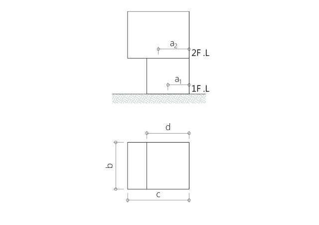
建築面積:建築物外牆中心線或其代替柱中心線以內之最大水平投影面積。但電業單位規定之配電設備及其防護設施、地下層突出基地地面未超過一點二公尺或遮陽板有二分之一以上為透空,且其深度在二點零公尺以下者,不計入建築面積;陽臺、屋簷及建築物出入口雨遮突出建築物外牆中心線或其代替柱中心線超過二點零公尺,或雨遮、花臺突出超過一點零公尺者,應自其外緣分別扣除二點零公尺或一點零公尺作為中心線;每層陽臺面積之和,以不超過建築面積八分之一為限,其未達八平方公尺者,得建築八平方公尺。 (※ArkiTeki 提示:陽臺面積得不計入建築面積之規定,不適用於工廠類建築物)
|
|||
四 |
建蔽率:建築面積占基地面積之比率。 |
|||
五 |
樓地板面積:建築物各層樓地板或其一部分,在該區劃中心線以內之水平投影面積。但不包括第三款不計入建築面積之部分。 |
|||
六 |
觀眾席樓地板面積:觀眾席位及縱、橫通道之樓地板面積。但不包括吸煙室、放映室、舞臺及觀眾席外面二側及後側之走廊面積。 |
|||
七 | ||||
八 |
基地地面:基地整地完竣後,建築物外牆與地面接觸最低一側之水平面;基地地面高低相差超過三公尺,以每相差三公尺之水平面為該部分基地地面。
|
|||
九 |
建築物高度:自基地地面計量至建築物最高部分之垂直高度。但屋頂突出物或非平屋頂建築物之屋頂,自其頂點往下垂直計量之高度應依下列規定,且不計入建築物高度:
|
|||
十 | ||||
十一 |
簷高:自基地地面起至建築物簷口底面或平屋頂底面之高度。 |
|||
十二 |
地板面高度:自基地地面至地板面之垂直距離。 |
|||
十三 |
樓層高度:自室內地板面至其直上層地板面之高度;最上層之高度,為至其天花板高度。但同一樓層之高度不同者,以其室內樓地板面積除該樓層容積之商,視為樓層高度。
|
|||
十四 | ||||
十五 |
建築物層數:基地地面以上樓層數之和。但合於第九款第一目之規定者,不作為層數計算;建築物內層數不同者,以最多之層數作為該建築物層數。
|
|||
十六 | ||||
十七 | ||||
十八 |
夾層:夾於樓地板與天花板間之樓層;同一樓層內夾層面積之和,超過該層樓地板面積三分之一或一百平方公尺者,視為另一樓層。
|
|||
十九 | ||||
二十 |
露臺及陽臺:直上方無任何頂遮蓋物之平臺稱為露臺,直上方有遮蓋物者稱為陽臺。 |
|||
二十一 |
集合住宅:具有共同基地及共同空間或設備。並有三個住宅單位以上之建築物。 |
|||
二十二 |
外牆:建築物外圍之牆壁。 |
|||
二十三 |
分間牆:分隔建築物內部空間之牆壁。 |
|||
二十四 |
分戶牆:分隔住宅單位與住宅單位或住戶與住戶或不同用途區劃間之牆壁。 |
|||
二十五 |
承重牆:承受本身重量及本身所受地震、風力外並承載及傳導其他外壓力及載重之牆壁。 |
|||
二十六 |
帷幕牆:構架構造建築物之外牆,除承載本身重量及其所受之地震、風力外,不再承載或傳導其他載重之牆壁。 |
|||
二十七 |
耐水材料:磚、石料、人造石、混凝土、柏油及其製品、陶瓷品、玻璃、金屬材料、塑膠製品及其他具有類似耐水性之材料。 |
|||
二十八 |
不燃材料:混凝土、磚或空心磚、瓦、石料、鋼鐵、鋁、玻璃、玻璃纖維、礦棉、陶瓷品、砂漿、石灰及其他經中央主管建築機關認定符合耐燃一級之不因火熱引起燃燒、熔化、破裂變形及產生有害氣體之材料。 |
|||
二十九 |
耐火板:木絲水泥板、耐燃石膏板及其他經中央主管建築機關認定符合耐燃二級之材料。 |
|||
三十 |
耐燃材料:耐燃合板、耐燃纖維板、耐燃塑膠板、石膏板及其他經中央主管建築機關認定符合耐燃三級之材料。 |
|||
三十一 |
防火時效:建築物主要結構構件、防火設備及防火區劃構造遭受火災時可耐火之時間。 |
|||
三十二 |
阻熱性:在標準耐火試驗條件下,建築構造當其一面受火時,能在一定時間內,其非加熱面溫度不超過規定值之能力。 |
|||
三十三 |
防火構造:具有本編第三章第三節所定防火性能與時效之構造。 |
|||
三十四 | ||||
三十五 | ||||
三十六 | ||||
三十七 | ||||
三十八 | ||||
三十九 | ||||
四十 | ||||
四十一 | ||||
四十二 |
幢:建築物地面層以上結構獨立不與其他建築物相連,地面層以上其使用機能可獨立分開者。 |
|||
四十三 |
棟:以具有單獨或共同之出入口並以無開口之防火牆及防火樓板區劃分開者。 |
|||
四十四 |
特別安全梯:自室內經由陽臺或排煙室始得進入之安全梯。 |
|||
四十五 |
遮煙性能:在常溫及中溫標準試驗條件下,建築物出入口裝設之一般門或區劃出入口裝設之防火設備,當其構造二側形成火災情境下之壓差時,具有漏煙通氣量不超過規定值之能力。 |
|||
四十六 |
昇降機道:建築物供昇降機廂運行之垂直空間。 |
|||
四十七 |
昇降機間:昇降機廂駐停於建築物各樓層時,供使用者進出及等待搭乘等之空間。 |